登录
会员注册
首页
/
找现货
/
工厂订制
/
资讯
/
求购
/
物流
您目前所在位置:
不锈钢现货超市
>
求购专区
> 正文
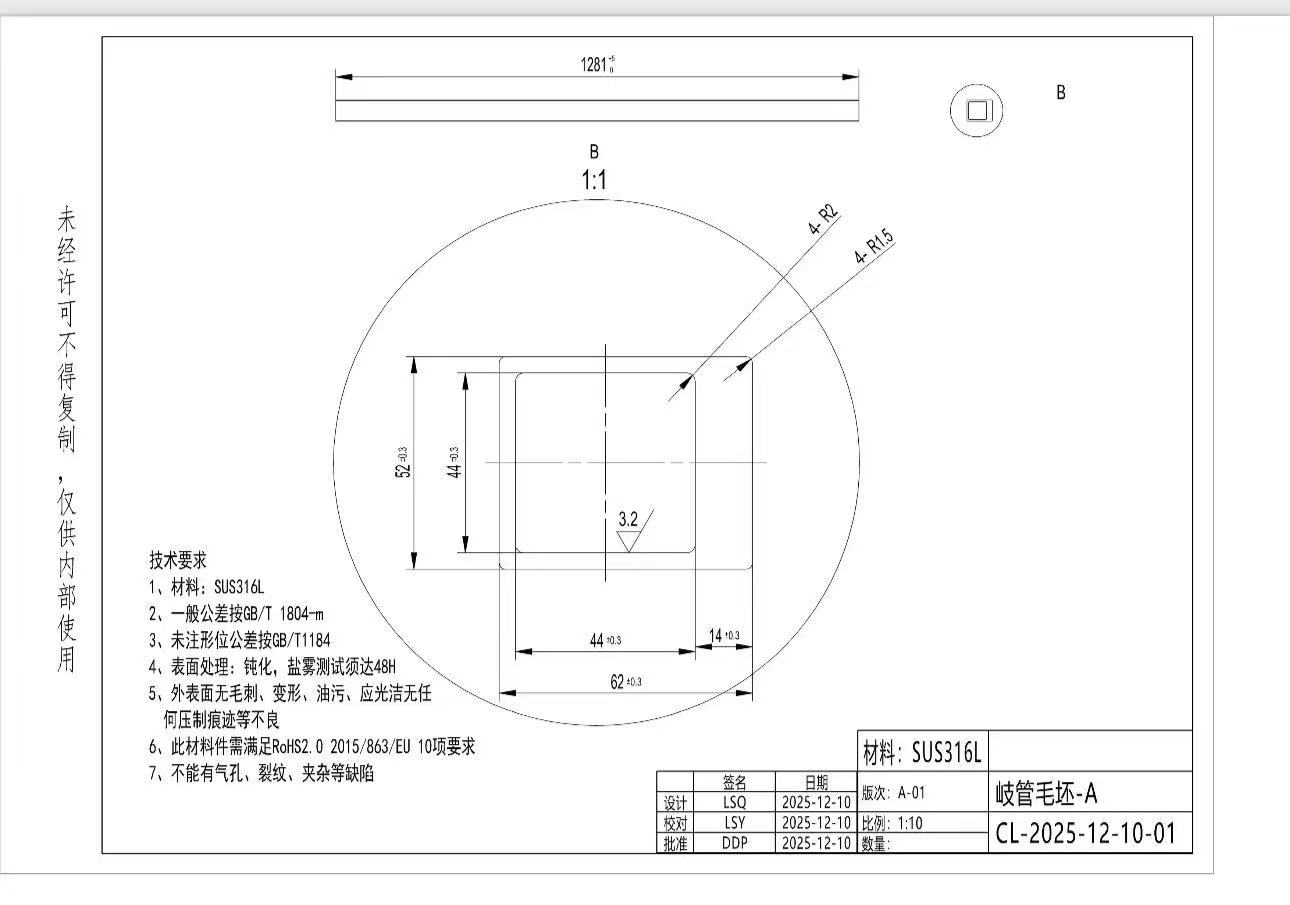
求购316L不锈钢无缝管
[此信息正常]
时间:2026-04-25 10:15:48
求购316L不锈钢无缝管,壁厚不一样,细规格看图纸,有做的联系
联系方式
公司名称
聊城众英金属材料有限公司
电 话
18020295259
免责声明
:不锈钢现货超市网(含网站、客户端等)所展示的求购、定制及现货标题、价格、详情等信息内容系网站会员发布,其真实性、准确性和合法性均由网站会员负责。不锈钢现货超市网提醒您购买前注意谨慎核实,现货价格、详情等均以买卖双方最终合同为准。
更多求购信息
求购DIN 1.4404 四方棒
求购316L不锈钢无缝管
求购304 无缝管
求购304负公差管
求购347板材
求购304无缝管
求购304L不锈钢无缝管
求购304无缝管
求购TP312不锈钢无缝厚壁管
求购304材质圆管
行业新闻
更多
东北特钢集团机构改革开始全面实施
江苏德龙戴南不锈钢集中熔炼项目开工仪
平控政策还存诸多不确定性 不锈钢管价
不锈钢焊管市场资源量下降 下游终端项
原料端存有支撑且库存仍在去化之中 不
国内不锈钢焊管生产的结构性调整仍在不
基建投资开工率回升 不锈钢无缝管下游
需求复苏对不锈钢无缝管市场的重要程度
卫生级不锈钢管库存总量下降但下降幅度
Aperam第二季发货量略减至43.
友情链接
不锈钢现货超市
不锈钢无缝管
卫生级不锈钢管
304不锈钢管
不锈钢国家标准
304L不锈钢无缝管
2520不锈钢无缝管
310S不锈钢无缝管
904L不锈钢无缝管
2205不锈钢无缝管
2507不锈钢无缝管